Disk Tip Döndürme Ünitesi
Sektörde güçlü bir rekabet avantajına sahip olup, özellikle takım tezgahı uygulamalarında benzersiz çözümler sunar.
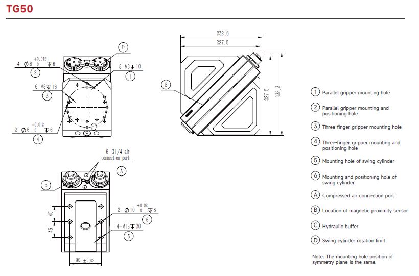
Endüstriyel Sınıf Hidrolik Sönümleme
TG serisi, FOUK tarafından geliştirilen yüksek performanslı sönümleyici ile standart olarak donatılmıştır. Bu sayede yüksek yük altında çalışan uygulamalarda stabil ve güvenilir enerji emilimi sağlar.
Tam Entegre İç Hava Kanalı Tasarımı
Gripper hava devresi, döner silindirin yan kısmına entegre edilmiştir. Bu sayede harici hava hortumlarından kaynaklanabilecek sızıntı riski ortadan kaldırılarak daha güvenli ve dayanıklı bir kullanım sunar.
Katmanlı Çoklu Kanal (Hierarchical Porous) Tasarım
Elektrik kablolaması ve pnömatik hatların düzenlenmesini kolaylaştıran çoklu kanal yapısı ile, kompakt tasarım içinde maksimum kullanım kolaylığı sunar. Bu sayede hortum ve kablo yerleşimi daha düzenli ve verimli hale gelir.
Ürün Özellikleri |
TG50 |
Birim |
|||||
|---|---|---|---|---|---|---|---|
| Teorik tork | 7,07P | N.m | |||||
| Tek taraflı parmak silindirinin maksimum çalışma yükü | 12 | kg | |||||
| Ürün ağırlığı | 15,2 | kg | |||||
| Dönüş süresi | 1,5 ~ 4,0 | s | |||||
|
P: Basınçlı hava basıncı [bar] |
|||||||
| Tekrarlı tutma hassasiyeti | ±0,05 | Hava bağlantı portu | G1/4 | ||||
| Çalışma hava basıncı aralığı | 3 ~ 8 bar | Çalışma sıcaklığı aralığı | 0 ~ 60 °C | ||||
| IP koruma sınıfı | IP65 | Darbe sönümleyici | M33 hidrolik sönümleyici | ||||
Aksesuar |
Modül Tipi |
Model |
Özellikler |
| Sensör | Manyetik yakınlık sensörü | MZC1-2V2NS-FU0 | Manyetik, NPN, 3 damarlı, 3 m kablo |
| MZC1-2V2PS-FU0 | Manyetik, PNP, 3 damarlı, 3 m kablo | ||
| Tutucu | İki parmak tutucu | FR72-192 | |
| Üç parmak tutucu | FZ90-155 | ||
| Flanş | Bağlantı flanşı | İhtiyaç duymanız durumunda bağlantı flanşları ve parmaklar mühendislik ekibimiz tarafından uygun şekilde tasarlanıp imal edilir. | |

