Kare formdaki ürünleri tutmak için alternatif bir çözüm
Merkezleme gereksinimi olan kare parçaların kavranmasında, TF serisi FR serisine alternatif olarak tercih edilen bir çözümdür.
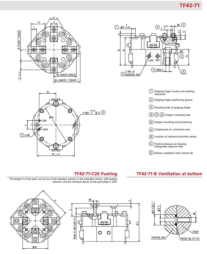
T Slot Yatak Tasarımı
Klasik T slot yatak ve sertleştirilmiş yüzeyi sayesinde yüksek taşıma kapasitesi sunarak, zorlu uygulamalarda güvenilir ve dayanıklı performans sağlar.
Kama Tahrik Mekanizması
Üstün iletim yapısı sayesinde yüksek yük kapasitesi ile yüksek merkezleme hassasiyetini aynı anda sağlar.
Eloksal Kaplı Hava Sınıfı Alüminyum Gövde
Yüksek kaliteli hava sınıfı alüminyumdan üretilen gövde, grippera yüksek taşıma kapasitesi kazandırırken ağırlığı mümkün olan en düşük seviyede tutar.
Ürün Özellikleri |
TF42-71 |
Birim |
|||||
|---|---|---|---|---|---|---|---|
| Parmak başına strok | 6 | mm | |||||
| Ürün ağırlığı | 0,6 | kg | |||||
| Maksimum izin verilen tutma mesafesi | 90 | mm | |||||
| Teorik maksimum tutma kuvveti (açma/kapama) | 120P / 108P | N | |||||
| Taşınabilir iş parçası ağırlığı | 2,5 | kg | |||||
| Açma/kapama süresi | 0,02 / 0,02 | s | |||||
| Tek açma-kapama çevriminde hava tüketimi | 0,18 | L | |||||
|
P: Basınçlı hava basıncı [bar] Hava tüketimi, normal basınç altında tüketilen hacmi ifade eder (0.5 MPa) |
|||||||
| Tekrarlı tutma hassasiyeti | ±0,02 | Hava bağlantı portu | M5 | ||||
| Çalışma hava basıncı aralığı | 3 ~ 7 bar | Çalışma sıcaklığı aralığı | 0 ~ 60 °C | ||||
| IP koruma sınıfı | IP40 | Tek parmak için maks. izin verilen tutma ağırlığı | 0,5 kg | ||||
Aksesuar |
Modül Tipi |
Model |
Özellikler |
| Sensör | Endüktif yakınlık sensörü | IPSD-2NS-0823-L3 | Endüktif, NPN, 3 damarlı, 3 m kablo |
| IPSD-2PS-0823-L3 | Endüktif, PNP, 3 damarlı, 3 m kablo | ||
| Flanş | Bağlantı flanşı (Robot tarafı) | İhtiyaç duymanız durumunda bağlantı flanşları ve parmaklar mühendislik ekibimiz tarafından uygun şekilde tasarlanıp imal edilir. | |
| Bağlantı flanşı (Ekipman tarafı) | |||
| Parmak | Parça tutucu parmak | ||


